End-to-end structural steel and rebar detailing — delivered on time and to standard.
Fabrication and erection drawings aligned to AISC & CISC requirements.
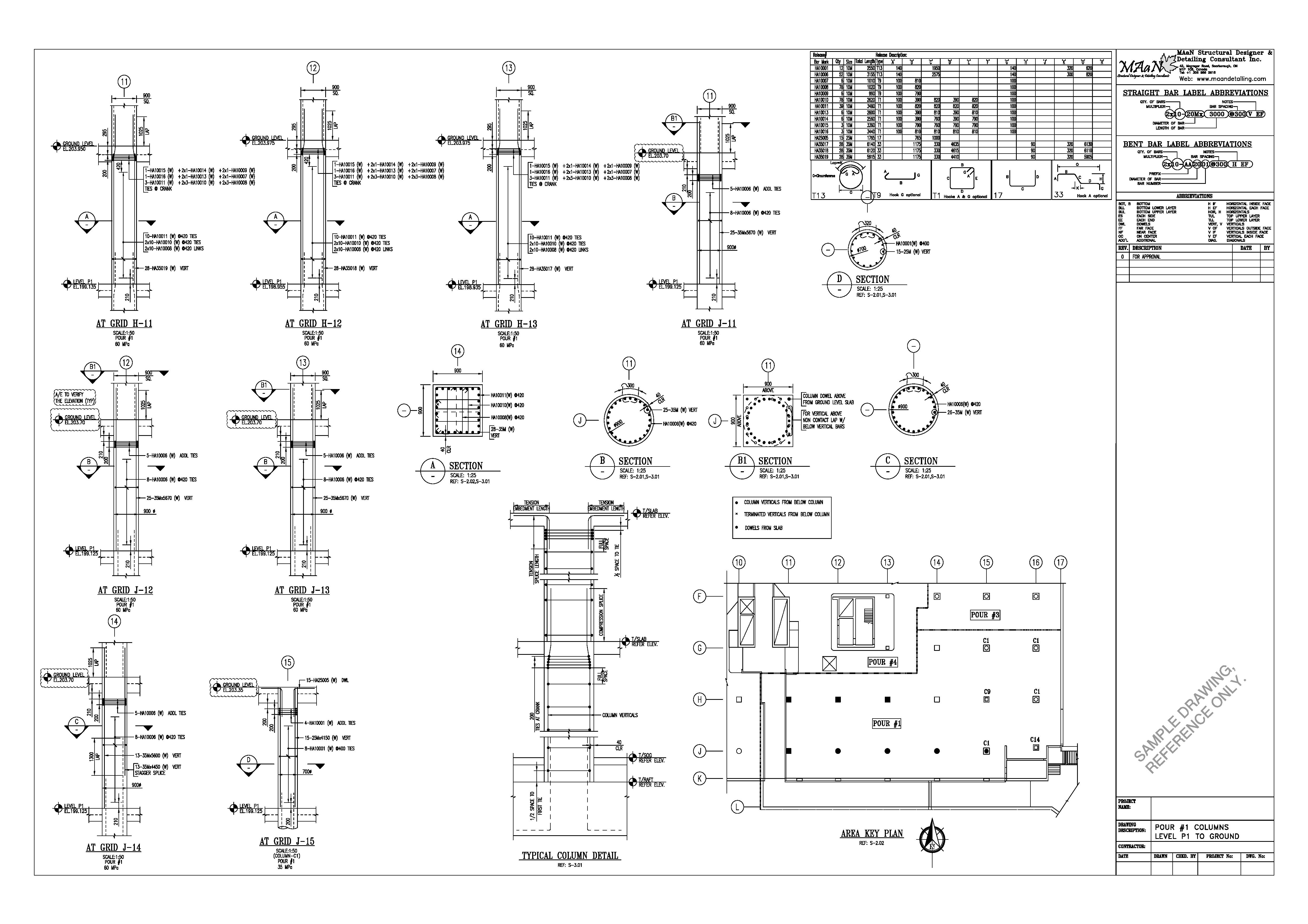
Reinforcement detailing for concrete structures following RSIC & CRSI standards.
Accurate takeoffs that help you price, plan, and win work with confidence.
A small sample of delivered detailing work. Visit the portfolio for the full gallery.
Want to see more completed work?
View Full PortfolioWe use modern tools to reduce errors, speed delivery, and keep revisions under control.




See our full toolset and workflow.
Explore TechnologyMAaN Detailing provides steel and rebar detailing services to North American organizations since 2008, supported by an experienced team and modern tools.
We focus on standards compliance, clear deliverables, and reliable turnaround — so your project stays on schedule.
AISC & CISC aligned detailing
Delivery you can plan around
Tell us what you’re building — we’ll help you detail it accurately.
Reach out for steel or rebar detailing and estimating. We’ll reply as soon as possible.
28 Rochman blvd,
Toronto, ON, M1H 1R9
Canada
Use our full contact page to send project details and request a quote.
Go To Contact Page